“HK-54D-II”仿形切割機是高效、經濟的切割機新產品,該機器內部結構設計合理;外表美觀大方。機身采用鋁錠精密壓鑄而成。按樣板可切割各種零件圖形,切割表面質量好,精度高,適用于批量生產同一形狀切割零件。機身較小,而切割范圍廣,不僅適合企業工廠使用,也適合野外工作。
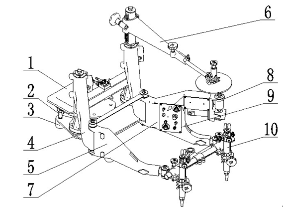
各部件的名稱

1.配重塊
2.底腳螺絲
3.底座
4.主臂
5. 副叉臂
6.形臂
7.主叉臂
8.磁鋼套總成
9.控制面板
10.割炬
技術規格
|
1.重量(主體部件) |
:85千克 |
|
2.裝置尺寸 |
:1300毫米×540毫米×700毫米 |
|
3.電源 |
:220V 50HZ |
|
4.切割速度 |
: 100~1000mm/min |
|
5.切割厚度 |
: 3~100mm |
|
6.切割圓直徑 |
: ø30~ø400mm |
|
7.標準磁滾輪直徑 |
:10mm |
|
8.切割正方形尺寸 |
:30mm×300mm, |
|
9.電機 |
: 55/ZYT DC110V24W 轉速3600r/min |
裝箱單
將裝置小心地從包裝箱中取出。對照以下清單核對包裝箱中各部件以確認其是否齊全。下列為標準配置零部件裝箱清單。
|
1.主機 |
1臺 |
|
|
2.割炬氣路總成 |
2套 |
|
|
3.割嘴(根據用戶需求任選一種) |
1)G02:1#、2#、3#(乙炔) |
各2只 |
|
2)G03:1#、2#、3#(丙烷) |
||
|
4.電源線 |
1條 |
|
|
5.說明書,合格證 |
各1份 |
|
|
6.進氣接頭 |
1套 |
|